Skip to main content
Warum O2
Warenkorb
Service
Gelöst

DSL Geschwindigkeit 1 Tag nach Anschlussschaltung gedrosselt

  • February 5, 2022
  • 45 Antworten
  • 611 Aufrufe

Moin, seit dem 31.1.22 sind wir O2-DSL Kunde. Am Anfang war auch alles soweit ok. Wir hatten, nach sehr gutem Supportkontakt & Fritzbox-rücksetzen, eine zeitnahe Schaltung (18Uhr), Bandbreite bei 2,3Mb DL & 0,5Mb UL ok (nicht wundern sind hier am A…. der Welt; FTTH ist aber im Anmarsch).

Einen Tag später gg 17Uhr wurde das erste mal die Internetverbindung getrennt mit der Meldung:

01.02.22 17:18:03 Zeitüberschreitung bei der PPP-Aushandlung.
01.02.22 17:18:03 Internetverbindung wurde getrennt.

Dieses Problem ereignet sich seit dem täglich im Zeitraum von 17-23Uhr im 30-60min Takt, und on Top sporadisch zwischendurch. Zusätzlich wurde die Geschwindigkeit ich meine am 1.2.22 herabgesetzt auf 0,7/0,3. Laut PDF-Ereignisslistendruck taucht es allerdings erstmalig am 4.2.22 auf:

04.02.22 03:33:03 Internetverbindung wurde erfolgreich hergestellt. IP-Adresse: 77.8.251.78, DNS-Server: 62.109.121.2 und 62.109.121.1, Gateway: 62.52.200.149, Breitband-PoP: BASJ00
04.02.22 03:32:56 DSL ist verfügbar (DSL-Synchronisierung besteht mit 728/374
kbit/s).

Das war auch die Geschwindigkeit, die ich bei 1...1 hatte und deswegen den Abieter gewechselt habe, da der Anschluß bei der Geschwindigkeit praktisch nicht nutzbar ist, nicht mal VOIP funktioniert ohne Störung. Davor bei EWE war die Geschwindigkeit auch bei 2,3/0,5, allerdings noch mit echtem ISDN-Anschluß, also keinem VOIP.

Nun bin ich wieder bei der Geschwindigkeit und somit wieder bei einem Unbrauchbarem Anschluß. :sob:

Bei 1...1 hieß es vom (Telekom?)-Techniker zum Schluß, der Provider hat keine größere Bandbreite von der Telekom “gekauft”. Sollte das auch nun auf O2 zutreffen und es wurde am Anfang nur vergessen zu “drosseln”??? Offiziel will dazu natürlich niemand Stellung beziehen wg Netzneutralität usw., aber ich komm mir so langsam etwas verschaukelt vor...:frowning2:

Kann da ein Mod oder irgendjemand was zu sagen?

Lösung von rentek

Öffne mal den APL und mache hiervon ein Bild.

Die TAE-Dose ist nicht sauber verkabelt. Bei einer TAE-Dose mit LSA-Klemmen dürfen die Adern nicht abisoliert sein. Bestell schon mal bei Amazon ein LSA-Auflegewerkzeug für ein paar Euro. Hier muss nachgebessert werden.

Wohin gehen die Kabel der beiden UAE-Dosen und der TAE-Dose?

*edit* und wie @Anfänger1 schrieb, Splitter und NTBA abklemmen.

45 Antworten

schluej
Legende
  • February 5, 2022

Moin,

was für eine Fritzbox mit welcher Software?

Mehr als eine TAE Dose vorhanden?

Wie sieht die Dose ohne Deckel aus, Nahaufnahme (aber erst die Seiten von der Fritzbox hochladen!!!)

Wird Powerline verwendet?

Die Seiten mit dem grünen Pfeil hochladen. Bei DSL auch die “unteren Werte”. Statistik auf Woche stellen.

 


  • Autor
  • Einsteiger:in
  • February 5, 2022

Moin,

FB 7490; OS 7.29

Insgesamt haben wir (wg ehem. ISDN) 4 TAE-Dosen. DECT-Telefone laufen jetzt aber alle über die FB.

Kein Powerline, nur LAN/WLAN.

Leider heute morgen nen Neustart gemacht, daher die Statistik nicht ausssagekräftig.

 


schluej
Legende
  • February 5, 2022

Du kannst Theoretisch die Frritzbox an jeder TAE Dose anschließen (u. sie würde dann laufen)?

Auf was endet denn das DSL Login also das hinter dem @?


  • Autor
  • Einsteiger:in
  • February 5, 2022

Habe noch nicht versucht die woanders anzuschließen…

hier nochmal die Statistik der letzten 24h

 

 

PS: Das Login endet mit @s92.bbi-o2.de


schluej
Legende
  • February 5, 2022

Wenn die TAE Dosen alle zusammen geschlossen sind, ist das für die Verbindungsqualität nicht gerade förderlich,

 


  • Autor
  • Einsteiger:in
  • February 5, 2022

OK, werde die Dosen mal abklemmen.


rentek
Legende
Forum|alt.badge.img+15
  • Legende
  • February 5, 2022

Die Telekom setzt auch an ihren ADSL-Anschlüssen mittlerweise ASSIA DSL-Expresse ein, eine automatische Profilanpassung. Bei Anbieterwechsel wird das “offene” Profil geschaltet. Sind aber auf der Leitung Fehler oder wird der Router über 24 Stunden zu oft neu gestartet oder gibt es zu viele DSL-Abbrüche, deckelt das System nachts die Geschwindigkeit, wie hier der Fall.

Sollte es mehrere TAE-Dosen geben, die parallel oder als Stichleitung sternförmig von einem zentralen Verteiler (auch APL) geschaltet sind, ist das ein Hauptgrund, für ASSIA aktiv zu werden.

Sollten also mehrere TAE-Dosen vorhanden sein, bitte von allen die Blende entfernen und ein Bild machen und hier hochladen.


  • Autor
  • Einsteiger:in
  • February 5, 2022

Sooooo, habe mal nachgeschaut:

Es gibt nur 1 TAE und 2 UAE/S0 für die alten ISDN - Telefone. Hab mal n Bild von der TAE und einer UAE gemacht.

ABER: Als ich bei der TAE bei war, hab ich den grauen RJ45->F-Stecker-Adapter und das Patchkabel angeschaut: Das Patchkabel war ein Crossover-Kabel. Hab's gegen das graue von der FB getauscht. Hat das überhaupt Auswirkungen oder wie ist die Verschaltung?

Geschwindigkeit hat sich aber natürlich noch nicht geändert. Wie komm ich überhaupt wieder auf die höhere Geschwindigkeit? Geht das über die Hotline? 


schluej
Legende
  • February 5, 2022

Also richtig aufgelegt ist die nicht,,,

Leider ist der Winkel etwas ungünstig.

Die Datenrate kommt in ein paar Wochen wieder.


Forum|alt.badge.img+14
  • Legende
  • February 5, 2022

@Litschi82  Schau mal in die Auftragsbestätigung aber ich meine es ist ein RAM 2000 und kein ADSL 16000 Mbit, und ob der Router auf annex j steht . Auf alle Fälle Splitter, TAE Dosen nach der 1 TAE abklemmen.


rentek
Legende
Forum|alt.badge.img+15
  • Legende
  • Lösung
  • February 5, 2022

Öffne mal den APL und mache hiervon ein Bild.

Die TAE-Dose ist nicht sauber verkabelt. Bei einer TAE-Dose mit LSA-Klemmen dürfen die Adern nicht abisoliert sein. Bestell schon mal bei Amazon ein LSA-Auflegewerkzeug für ein paar Euro. Hier muss nachgebessert werden.

Wohin gehen die Kabel der beiden UAE-Dosen und der TAE-Dose?

*edit* und wie @Anfänger1 schrieb, Splitter und NTBA abklemmen.


  • Autor
  • Einsteiger:in
  • February 5, 2022

Zuerst mal ein mega DANKE an euch, echt geil wie schnell einem hier kompetente Hilfe und fachlich hochwertige Ratschläge und Tipps gegeben werden! Bin sehr positiv überrascht! :thumbsup_tone2::thumbsup_tone2::thumbsup_tone2:

 

Hab gerade das erste mal in den APL geschaut :scream:

Ich glaub, ich hab da noch etwas zu forschen….

@Litschi82  Schau mal in die Auftragsbestätigung aber ich meine es ist ein RAM 2000 und kein ADSL 16000 Mbit, und ob der Router auf annex j steht . Auf alle Fälle Splitter, TAE Dosen nach der 1 TAE abklemmen.

Kann dazu nix in der Auftragsbestätigung finden!?

Die Datenrate kommt in ein paar Wochen wieder.

Puh, kann man das beschleunigen? Das Telefonieren ist schon echt sehr bescheiden, manche Leute hier sind kurz davor, das Telefon durch die Wand zu feuern…

Die TAE werd ich wenn das Auflegewerkzeug da ist in Angriff nehmen. NTBA & Splitter sind nicht mehr vorhanden. In der zwischenzeit werd ich mal versuchen nachzuvollziehen wo welches Kabel hingeht/herkommt.


rentek
Legende
Forum|alt.badge.img+15
  • Legende
  • February 5, 2022

Kein Wunder drosselt dich ASSIA auf den niedrigsten Wert. Der APL ist vollkommen falsch verkabelt.

Mittig unten kommt das Erdkabel an. Es müsste sechs Doppeladern haben. Die sind mittig links und mittig rechts aufgelegt (1-3 links, 4-6 rechts). Außen links und außen rechts geht es ab zu den Dosen im Haus.

Idealerweise müsstest du das grüne Adernpaar, das direkt zur TAE-Dose geht, dort außen hinschrauben, wo das beschaltete Adernpaar aus dem Erdkabel am APL innenseitig angeschraubt ist. Dises sehe ich da aber gar nicht. Ich sehe nur auf “1” links außen ein rotes Adernpaar. Ist denn “1” beschaltet?


  • Autor
  • Einsteiger:in
  • February 5, 2022

Also 1 schein ja beschaltet zu sein, da es ja als einzige Klemme Innen (Erdkabel) wie Aussen belegt ist. Ausserdem würde ja sonst gar nichts gehen oder? Ich hab allerdings noch keine Ahnung wo das Adernpaar hin geht. 4 & 5 scheint mir nur als Verbindungsklemme benutzt zu werden da dort die Adernpaare von 2 Kabeln drauf gehen.

Die grünen Adern an der TAE stammen aus einem 6-Paarigem Kabel bei dem ich auch wieder nicht weiß wo es her kommt. Es gibt also noch viel zu tun, und das nur um ein paar Monat bis zum FTTH-Schaltung zu überbrücken...:confounded:


rentek
Legende
Forum|alt.badge.img+15
  • Legende
  • February 6, 2022

Tja, das hört sich sehr nach Mehrfachverteilung an. Daher drosselt ASSIA die Geschwindigkeit auf das Minimum, um eine stabile Leitung zu gewährleisten. Daher ist auch der IMP-Wert so hoch.

Und ja: FTTH bietet O2 aktuell noch gar nicht an. Wenn du Vectoring meinst, dann schon, aber dann ist die aktuelle Verkabelung erst recht “Gift”.

Es gibt nun zwei Möglichkeiten: du vollziehst nach, wohin das auf “1” abgehende Adernpaar hingeht, und klemmst mit dem noch eingehenden LSA-Auflegewerkzeug dort die erste TAE-Dose an.
Oder du baust die Fritzbox direkt neben dem APL auf. Dazu müsstest du ein DSL-Anschluskabel am TAE-Stecker abtrennen und die beiden Adern dort reinschrauben, wo jetzt die Adern auf “1” abgehen. Dann müsste man eben mit WLAN-Repeatern arbeiten.


Forum|alt.badge.img+14
  • Legende
  • February 6, 2022

Das wäre aber neu das es ASSIA bei einen alten ADSL gibt mit RAM. ASSIA ist doch erst verbaut in ADSL 16000 IP und + ohne RAM . Beim ADSL 16000 RAM wäre mir neu das es ASSIA gibt 🤔


rentek
Legende
Forum|alt.badge.img+15
  • Legende
  • February 6, 2022

Doch, ist jetzt bei allen neu geschalteten ADSL-Profilen aktiv. Daher wurde der Threadersteller auch nach einem Tag gedrosselt. 


  • Autor
  • Einsteiger:in
  • February 6, 2022

Und ja: FTTH bietet O2 aktuell noch gar nicht an. Wenn du Vectoring meinst, dann schon, aber dann ist die aktuelle Verkabelung erst recht “Gift”.

Richtig. FTTH kommt bei uns nicht über O2, bei uns ist Nordischnet (GVG Glasfaser) der Anbieter und Netzinhaber/-betreiber. Vertrag im März 19 abgeschlossen, Leerrohr liegt im Haus seit September 21, ab März 22 soll eingeblasen und angeschlossen werden. Naja, wer’s glaubt…

Es gibt nun zwei Möglichkeiten: du vollziehst nach, wohin das auf “1” abgehende Adernpaar hingeht, und klemmst mit dem noch eingehenden LSA-Auflegewerkzeug dort die erste TAE-Dose an.

Oder du baust die Fritzbox direkt neben dem APL auf. Dazu müsstest du ein DSL-Anschluskabel am TAE-Stecker abtrennen und die beiden Adern dort reinschrauben, wo jetzt die Adern auf “1” abgehen. Dann müsste man eben mit WLAN-Repeatern arbeiten.

Der APL ist in der abgelegensten Stelle im Keller, FB dahin versetzen kommt nicht in Frage, ich ma mich mal ran und drösel mal auf wo welche Leitung hin geht, bei dem Schietwedder gibt’s eh nix besseres zu tun. :smirk:

Das wäre aber neu das es ASSIA bei einen alten ADSL gibt mit RAM. ASSIA ist doch erst verbaut in ADSL 16000 IP und + ohne RAM . Beim ADSL 16000 RAM wäre mir neu das es ASSIA gibt 🤔

Wo seh ich was ich habe????


Forum|alt.badge.img+14
  • Legende
  • February 6, 2022

Wenn du ADSL 16000 hättest dann würdest du zwischen 6 und 16 Mbit haben. ASSIA gibt es  ab ADSL 16000 Ip inkl 16000 + .ASSIA würde auch nie unter AGB regeln. Aber sei es drum. Normalerweise steht sowas auf der AB vereinbarte Geschwindigkeit mit Geschwindigkeit Korridor.


  • Autor
  • Einsteiger:in
  • February 6, 2022

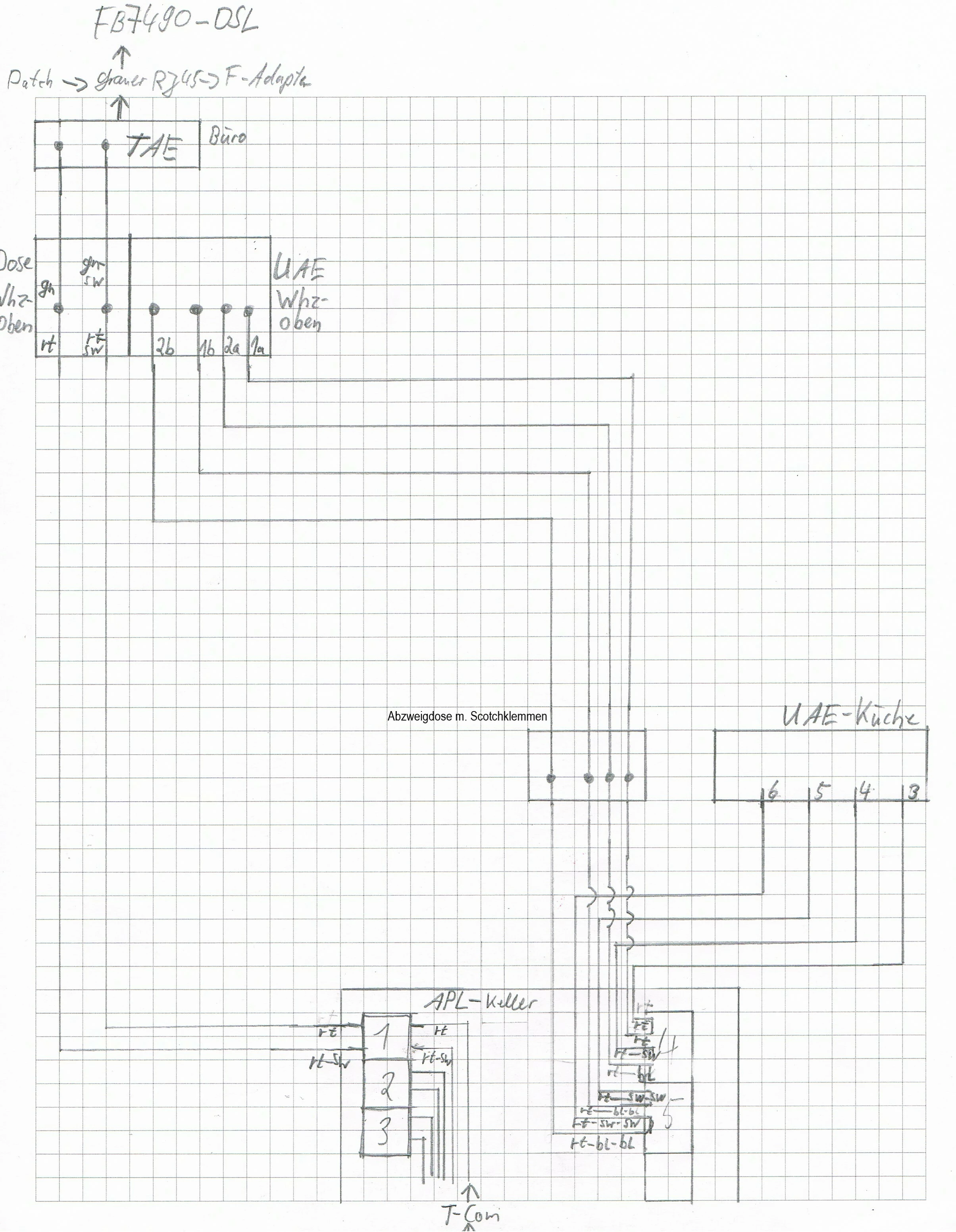
Hier mal nen Übersichtsplan über die Leitungen. Hoffe das ist einigermaßen erkennbar.

Von der UAE-oben gehen noch Adern (in dem Kabel das zur TAE geht) ins Büro, diese waren vorher an einer Eumex-TK-Anlage, sind jetzt offen, sollten mal auf den S0 der FB, aber die Telefone über DECT an die FB läuft ja soweit…

 

Also eigentlich passt das ja soweit, oder muss ich andere Adern im APL mit der TAE verbinden?


rentek
Legende
Forum|alt.badge.img+15
  • Legende
  • February 6, 2022

Kannst du mal ein Bild von der Dose “Wohnzimmer oben” in geöffnetem Zustand machen, wo das rote Adernpaar vom APL auf das grüne Adernpaar zur TAE-Dose “Büro” zusammengeführt wird?


  • Autor
  • Einsteiger:in
  • February 6, 2022

Kannst du mal ein Bild von der Dose “Wohnzimmer oben” in geöffnetem Zustand machen, wo das rote Adernpaar vom APL auf das grüne Adernpaar zur TAE-Dose “Büro” zusammengeführt wird?

 

 

Kann ich nachher nochmal machen, das ist aber die Dose der UAE, da sind die roten & grünen Adern auch mit Scotchlok-Klemmen verbunden und die anderen Roten auf die A/B-Klemmen der UAE.


rentek
Legende
Forum|alt.badge.img+15
  • Legende
  • February 6, 2022

Du musst die TAE-Dose dorthin setzen, wo jetzt das rote Adernpaar mit den Scotch-Lock verbunden wird. Notfalls kannst du dir bei EBay ja eine Unterputz-TAE-Dose mit LSA-Technik für 3,00 € + Versand schießen und das dann zusammen mit dem LSA-Auflegewerkzeug machen. Dann wäre die Verkabelung ideal. Jede unnötige Verlängerung, und dann noch mit Scotch-Lock, ist zu vermeiden.


  • Autor
  • Einsteiger:in
  • February 6, 2022

Du musst die TAE-Dose dorthin setzen, wo jetzt das rote Adernpaar mit den Scotch-Lock verbunden wird. Notfalls kannst du dir bei EBay ja eine Unterputz-TAE-Dose mit LSA-Technik für 3,00 € + Versand schießen und das dann zusammen mit dem LSA-Auflegewerkzeug machen. Dann wäre die Verkabelung ideal. Jede unnötige Verlängerung, und dann noch mit Scotch-Lock, ist zu vermeiden.

 

Nicht so toll, das ist am Ende des Hauses und dann auch noch hinter einem Schrank, dort kann und will ich die FB nicht aufstellen. Kann das denn so tragisch sein die Adern 1x mit den Verbindern zu verlängern? Da wäre mir die Feuchtigkeit im Keller beim APL schon eher ein Dorn im Auge...


rentek
Legende
Forum|alt.badge.img+15
  • Legende
  • February 6, 2022

Mach doch mal ein Bild von den Klemmverbindern.